5 电力系统计算基础 / Fundamentals of power system calculation
5.1 电力系统等值网络的电压归算 / Voltage reduction of equivalent networks
(1) 使用有名值计算
确定基本级后,对其他电压等级设备的参数归算到基本级。
$$
\begin{aligned}
&K = \frac{基本级一侧的额定电压}{待归算级一侧的额定电压} \\
&Z = K^2 Z’,\ Y = \frac{1}{K^2} Y’,\ U = KU’,\ I = \frac{1}{K} I’
\end{aligned}
$$
(2) 使用标幺值(per-unit value)计算
采用标幺制,使参与计算的各物理量变为无单位的相对数值。
$$
标幺值 = \frac{实际值}{基准值}
$$
先选定功率基准值 $S_\mathrm{B}$ 和电压基准值 $U_\mathrm{B}$,则
$$
\begin{aligned}
Z_\mathrm{B} &= \frac{U_\mathrm{B}^2}{S_\mathrm{B}} \\
I_\mathrm{B} &= \frac{S_\mathrm{B}}{\sqrt{3} U_\mathrm{B}}
\end{aligned}
$$
标幺值用于三相系统:
$$
\begin{aligned}
U_* &= \frac{U}{U_\mathrm{B}} = \frac{\sqrt{3} IZ}{\sqrt{3} I_\mathrm{B} Z_\mathrm{B}} = I_* Z_* \\
S_* &= \frac{S}{S_\mathrm{B}} = \frac{\sqrt{3} IU}{\sqrt{3} I_\mathrm{B} U_\mathrm{B}} = I_* U_*
\end{aligned}
$$
标幺值无量纲,实际使用时标注“p.u.”作为单位。
5.2 电力网络稳态行为特性计算 / Steady state calculations
稳态(steady state):系统各处的运行参量维持在较小的正常范围内。
暂态(transient state):从一种稳定状态到另一种稳定状态的过渡过程,过渡过程中运行参量会发生较大的变化。
考查电力系统的稳定性时:
静态稳定:电力系统受到小干扰(个别电动机的投切、负荷增减)后,不发生自发振荡或周期性失步,自动恢复到原来的运行状态。
暂态稳定:电力系统受到大的扰动(短路、断线、发电机甩负荷)后,经过暂态过程达到新的稳定运行状态或恢复到原来的运行状态。
5.2.1 潮流分布 / Power flow
电力系统的潮流分布用于表明电力系统在某一确定的运行方式和接线方式下,系统中从电源到负荷各处的电压、电流的大小和方向以及功率的分布情况。
电力系统的参数:
网络参数(常量):各元件的电阻、电抗、电导、电纳,一般不随系统运行状态的改变而变化。
运行参数(变量):系统各处的电压、电流、功率等,确定了系统的运行状态。这些参数并非相互独立,而是通过基尔霍夫定律等电路定律相互关联,并随着负荷和发电量的变化而改变。
潮流分布计算:通过已知的网络参数和某些运行参数求解系统中未知的运行参数,如节点电压、节点注入功率、支路中流动的功率和电流等。
节点:电网拓扑结构中的端点(连接点)。机组的出线端、母线、线路的两端、变压器绕组的两端等。
5.2.2 复杂电力系统潮流分布的计算机解法 / Computer-aided power flow calculations on complex systems
电网中的任一节点 $i$ 具有 4 个电量参数:有功功率 $P_i$、无功功率 $Q_i$、电压幅值 $V_i$ 和电压相角 $\theta_i$。在潮流计算中,每个节点有 2 个已知参数作为输入,另 2 个参数待解。对于有 $n$ 个节点的电网,可列出 $2n$ 个非线性代数方程,使用迭代方法求解其中的 $2n$ 个未知参数。
$n$ 维非线性方程组的迭代计算方法:高斯-赛德尔法(Gauss-Seidel method),牛顿-拉夫逊法(Newton-Raphson method)
6 继电保护 / Relay protection
6.1 基本概念 / Basic concepts
一次回路:由高压电力设备连接构成的发电、输电、配电等的电气回路。
二次回路:测量回路、继电保护回路、开关控制与信号回路、操作电源回路等低压回路。

6.2 故障 / Faults
设备不能按照预期指标进行工作的状态。
瞬时故障(transient fault, instantaneous fault):由雷电引起的绝缘子表面闪络、线路对树枝放电、大风引起的短时碰线、通过鸟类的身体放电等。
永久故障(permanent fault):线路倒杆、断线、绝缘子击穿或损坏等。
按种类分,有短路、断线、各种复杂故障(即在不同地点同时发生短路或断线),其中最常见、对系统影响最大的是短路故障。
| 短路类型 | 示意图 | 符号 | 发生概率 |
|---|---|---|---|
| 单相接地短路 | ![]() | $f^{(1)}$ | 65% |
| 两相短路 | ![]() | $f^{(2)}$ | 10% |
| 两相接地短路 | ![]() | $f^{(1,1)}$ | 20% |
| 三相短路 | ![]() | $f^{(3)}$ | 5% |
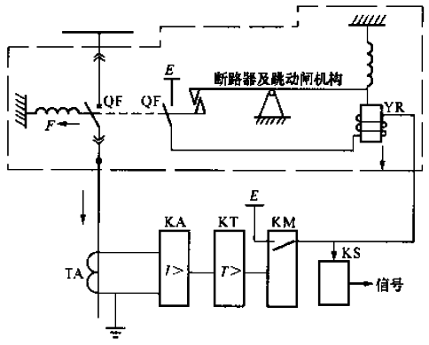
6.3 继电器 / Relays
当输入量(激励量)的变化达到规定要求时,在电气输出电路中使被控量发生预定的阶跃变化。具有控制系统(输入回路)和被控制系统(输出回路)之间的互动关系。

6.4 三段式电流保护 / Three-phase current protection

(1) 电流速断保护(instantaneous overcurrent protection)
整定值:动作电流
简单可靠,动作迅速。
不能保护线路全长。
(2) 限时电流速断保护(time-delay instantaneous overcurrent protection)
整定值:动作电流,动作时限
保护线路全长。
(3) 定时限过电流保护(definite-time overcurrent protection)
作为下级线路主保护拒动和断路器拒动时的远后备保护,同时作为本线路主保护拒动时的近后备保护,也作为过负荷时的保护。
整定值:动作电流,动作时限
6.5 自动重合闸 / Auto reclosure
电力系统的故障大多是送电线路(特别是架空线路)的故障。根据运行经验,架空线路的故障大多是瞬时故障。
可以设置一次或多次重合闸。
6.6 其他保护 / Other protections
距离保护(distance protection)(电压和电流)、纵联保护(pilot protection)(两端电流的大小、相位,两端功率的方向)
电力变压器保护、发电机保护、母线保护




Leave a Reply