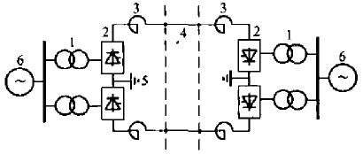
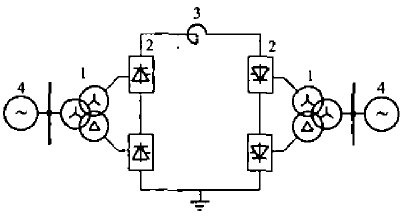
8 高压直流输电 / High-voltage direct current (HVDC) transmission
高压直流(high voltage direct current,HVDC)示意图:

换流器(converter):整流器(rectifier),逆变器(inverter)
(1) 单极系统

(2) 双极系统

(3) 背靠背直流系统
输电线路长度为零。

9 电力系统自动化技术 / Power system automation
9.1 配网自动化 / Automation in distribution networks
9.1.1 配电线路的自动化 / Distribution lines automation
功能:运行状态监测;远方与就地控制;故障区隔离,负荷转供与恢复供电;无功补偿与调压。
重合器(Recloser)
馈线终端装置(Feeder Terminal Unit,FTU):遥信、遥测、遥控,统计,对时,操作顺序记录,事故记录,定值远方修改和召唤定值,自检测和自恢复,远方控制闭锁和手动操作,进程通信。扩展功能:电度采集,微机保护,故障录波。
9.1.2 通信载体 / Communication carriers
电力线载波(Power Line Carrier)(50~300 bps)、电话专线(0.3~4.8 kbps)、现场总线(几十波特率)、微波、光缆、卫星等。
9.1.3 通信规约 / Communication protocols
应答式规约(Polling 规约):以主站为主,依次向各 RTU 发出查询命令,各 RTU 依查询命令进行回答,回答信息串长度可变。
循环式规约(CDT 规约):RTU 自发地不断循环上报现场数据,上传信息串长度可变。
DNP(Distributed Network Protocol)规约。
9.1.4 信号系统与测量系统 / Signal and measuring systems
(1) 信号系统
事故信号:表示发生事故,断路器跳闸的信号。
预告信号:反映设备运行时的不正常状态。
位置信号:指示开关电器、控制电器及设备的位置状态。
继电保护和自动装置的动作信号。
全站事故信号。
(2) 测量系统
9.2 变电站自动化 / Automation in substations
9.2.1 基本功能 / Basic functions
各种电气设备运行参数的监测;开关就地或远方控制;与继电保护通信;与终端设备联接并实行控制;与上级控制中心或其他控制系统通信;简单的数据处理。
对于少人或无人值守的变电站,需安装RTU等设备。RTU 主要用于集中收集变电站内的所有信息,同时可以接收上级控制调度中心的命令,输出开关控制信号,增减控制设备信号或调节设备的整定值,并返回已完成操作的信息。功能:
- 四遥:遥信(YX)、遥测(YC)、遥控(YK)、遥调(YT)。
- 事件顺序记录(Sequence of Events, SOE)
- 系统对时
- 电能采集
- 自检测和自恢复(强电磁干扰环境)
- 与 SCADA 系统通信
9.2.2 通信规约 / Communication protocols
- “101规约”。DL/T 634.5101(IEC 60870-5-101 NEQ)。串口通讯。
- “104规约”。DL/T 634.5104(IEC 60870-5-104 NEQ)。网络通讯。
- “61850标准”。DL/T 860(IEC 61850 IDT)。
9.3 同期 / Synchronization
发电机并网,多系统并列运行
理想条件:频率相等、电压幅值相等、电压相角相同。
9.4 数据采集与监控 / Supervisory Control And Data Acquisition (SCADA)

厂站端设备:远动终端装置(Remote Terminal Unit,RTU),智能电子设备(Intelligent Electronic Device,IED)
9.5 电网调度自动化 / Automation in power grid dispatching
(1) 能量管理系统(Energy Management System,EMS)
(2) 应用功能
- 数据采集与监控(SCADA)
- 自动发电控制(Automatic Generation Control,AGC)与计划
- 网络分析(拓扑分析、状态估计、潮流计算、短路计算、静态安全校核、最优潮流)
(3) 电网分级调度体系

10 中国电力公司 / Electric power companies in China (mainland)
10.1 发电公司 / Power generating companies
(1) “五大”发电集团
中国国电集团,中国华电集团,中国华能集团,中国大唐集团,国家电力投资集团
(2) “四小”发电集团
国投电力,国华电力,华润电力,中广核
10.2 电网公司 / Power grid companies
10.2.1 央企电网 / Government-owned power grids
(1) 国家电网(State Grid corporation of China,SGCC)
华北电网(北京):北京,天津,河北,山西,山东,冀北(唐山、张家口、秦皇岛、承德、廊坊)
东北电网(沈阳):辽宁,吉林,黑龙江,内蒙古东部(内蒙古东四盟)
华东电网(上海):上海,江苏,安徽,浙江,福建
华中电网(武汉):河南,湖北,湖南,江西
西北电网(西安):陕西,甘肃,宁夏,青海,新疆
西南电网(成都):四川,重庆,西藏
(色标:■ 省电力公司 ■ 市电力公司 ■ 电力公司 ■ 电力有限公司 ■ 电力有限责任公司 ■ 自治区电力有限公司)
(2) 南方电网(China Southern Power Grid,CSG)
广东,广西,云南,贵州,海南
(色标:■ 电网公司)
注:国网持有 26.4% 股权。
10.2.2 地方电网 / Local power grids
(1) 省级电网
蒙西电网(内蒙古电力(集团)有限责任公司)
(2) 地市级电网
- 陕西省地方电力(集团)有限公司(陕西省地方电网,66个县,省域70%)
- 山西地方电力有限公司(山西省12个县的农电网)
- 广西水利电业集团有限公司(广西地方水电,40个县区,省域49%)
- 广西桂东电力股份有限公司(桂东地方电网,6县3市2矿)
- 广西壮族自治区百色电力有限责任公司(百色地方电网,7县40矿)
- 云南保山电力股份有限公司
- 四川省水电投资经营集团有限公司(四川省水电,111个县,省域70%)
- 新疆生产建设兵团第一师~第十二师电力公司(兵团北疆电网)
- 吉林省地方水电有限公司(吉林省东部长白山区一些县域与林业地区的供电网和部分小水电)
- 湖北丹江电力股份有限公司(丹江口市地方电网)
- 万州地方电网
- 重庆三峡水利电力(集团)股份有限公司
- 重庆乌江电力有限公司(乌江地方电网)
- 浏阳市地方电力有限公司(浏阳市地方电网)
- 深圳招商供电有限公司(蛇口工业区、赤湾港区和前海湾物流园区,电源来自香港)
(3) 县级电网
(近 400 个)
Leave a Reply